当前所在位置:首页>产品中心>气动工具>砂磨机>高扭矩抛光磨砂机

高扭矩抛光磨砂机

所属品牌:阿特拉斯·科普柯Atlas Copco

产品型号:LSV28

Atlas阿特拉斯LSV28抛光磨砂机,是一款体积小巧、高扭矩、低转速磨砂机,可以实现可改善工作环境,以少的维护提供更佳的磨砂效果,并且可以调速,满足各种不同的作业速度需求。

  • 商品描述
  • 商品询价热度

Atlas阿特拉斯LSV28抛光磨砂机

阿特拉斯LSV28抛光磨砂机


Atlas LSV28抛光磨砂机优势特点

随附排气管

保养间隔长

集成式调速器

密封的角磨头

免润滑气动马达

优化加工速度

更低的噪音水平

高扭矩带来优化性能

更小的工件污染风险

 


LSV28抛光磨砂机各型号技术参数


型号
ID
空转转速
垫片直径
转轴螺纹
进气口螺纹 BSP
空转速度下的空气消耗量
输出时的空气消耗量
自动平衡器
经过 EAC 认证
EC 标准
高度
随主轴变化的高度
免润滑
输出
工作压力
型号类型
电机类型
推荐的软管尺寸
声压
声音标准
声音不确定度
转轴长度
含支撑手柄
震动标准
震动值
WEEE
重量
EU 指令
长度
LSV28 S021-M1484230125722100 r/min180 mmM143/8 inch5.6 l/s16.0 l/sNoYesISO 11148-893 mm86 mmYes0.68 kW90 psigAngleVane10 mm74 dB(A)ISO157443 dB(A)23 mmYesISO28927-3<2.5 m/s²04.1 lb2006/42/EC288 mm
LSV28 S04084230126224000 r/min180 mm5/8-11 UNC3/8 inch4.0 l/s15.0 l/sNoYesISO 11148-893 mm86 mmYes0.62 kW90 psigAngleVane10 mm78 dB(A)ISO157443 dB(A)32 mmYesISO28927-3<2.5 m/s²03.3 lb2006/42/EC266 mm
LSV28 ST013-LF84230126261300 r/min180 mm5/8-11 UNC3/8 inch9.0 l/s20.0 l/sNoYesISO 11148-893 mm86 mmYes0.68 kW90 psigAngleVane10 mm77 dB(A)ISO157443 dB(A)32 mmYesISO28927-3<2.5 m/s²03.7 lb2006/42/EC289 mm




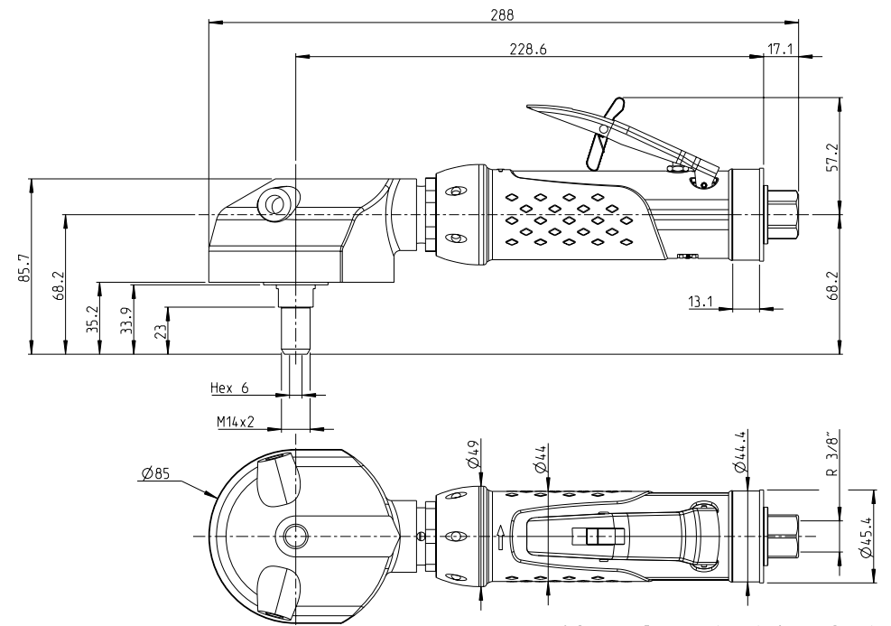
Atlas LSV28抛光磨砂机结构图

Atlas LSV28抛光磨砂机结构图

今日已有    0005    人询价

发送邮件

商品评价